气动光栅接触式位移传感器(485款)
AM系列概述
光栅接触式位移传感器可广泛运用于航天,机械,玻璃,汽车,轴承,冶金,塑料,化工以及科研院校等国民经济各行各业,用来测量伸长,振动,物体厚度,膨胀等的高技术产品。
光栅接触式位移传感器具有优良的性能,适用于质量控制和计量应运中的高精度,高重复性的测量。输出为RS232,也可外配集线器和显示器以及控制器实现多种输出,集线器和显示器以及控制器采用12-24V供电,集线器可拼装使用,输出信号为标准的可被计算机或PLC使用的modbus输出。
性价比高
绝对值测量
采用高硬度线性轴承
| 气动光栅接触式位移传感器(485款) | ||||
| 型号 | AMQ-B12-485 | AMQ-Q12-485 | AMQ-S12-485 | AMQ-GS12-485 |
| 外观 | ![]() | ![]() | ![]() | ![]() |
| 检测系统 | 刻度尺脉冲系统、绝对型(不产生追踪误差) | |||
| 测量范围 | 12.7mm | 12.7mm | 12.7mm | 12.7mm |
| 分辨率 | 5μm | 1μm | 0.5μm | 0.2μm |
| 精度 | 5μm | 2μm | 1.5μm | 1μm |
| 响应时间 | 50ms | |||
| 工作电流 | <50mA> | |||
| 电源电压 | 5VDC | |||
| 信号输出 | RS232电平信号 | |||
| 通讯协 议 | Modbus RTU协议 | |||
| 使用压力范围 | 0.16-0.2Mpa | |||
| 测量力 | 2.4 -3.4N | |||
| 防护等级 | IP65 | |||
| 使用环境温度 | -10至+50℃(无冻结) | |||
| 储存温度 | -20至+70%(无冷凝) | |||
| 使用环境湿度 | 35至85%(无冷凝) | |||
| 材料 | 主体:铝合金;防尘套:氟橡胶;测头:硬质合金 | |||
| 重量 | 约99.2g | |||
| 传感器头电缆 | 另售(M8连接器) | |||
| 附件 | 说明书/标定报告 | |||
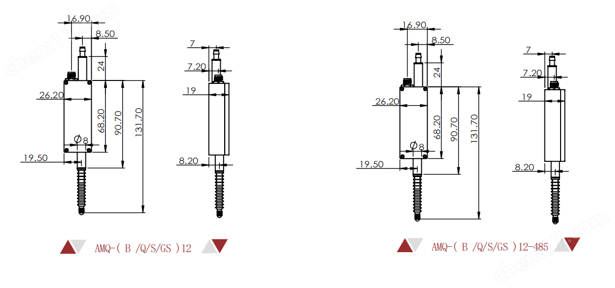
外形尺寸图

配套产品

| 数显控制器 | ||||
| 安装类型 | 35mm轨道安装型 | |||
| 外观 | ![]() | ![]() | ![]() | |
| 主模块/扩展模块/通信模块 | 主模块 | 扩展模块 | 通信模块 | |
| 通信接口信号 | —— | —— | RS232/RS485 | |
| 通信协议 | —— | —— | Modbus RTU | |
| 可扩展个数 | 1个主模块,最多可扩展9个扩展模块(最多接10个传感器) | 1个主模块,最多可扩展一个通信模块 | ||
| 可连接传感器数 | 1个 | —— | ||
| 电源电压 | 10-30VDC | |||
| 显示范围 | 199.9999至199.9999 | |||
| 显示分辨率 | 5um/1um/0.5um/0.2um(根据传感器的类型显示) | |||
| 功率消耗 | 不大于150mW(未接传感器、未接扩展模块) | 不大于100mw(未接传感器) | 不大于100mw | |
| 响应时间 | 50/100/500/1000ms(功能参数设置中更改) | |||
| 控制输出 | NPN输出 | 最大输出20mA | ||
| (HH/HI/GO/LO/LL) | ||||
| 控制输入 | 定时、预设、重置、通道输入 | 无电压输入 | ||
| 环境抗耐性 | 环境温度 | -10至+60℃C(无冻结) | ||
| 相对温度 | 35至85%(无冷凝) | |||
| 材料 | 物 | 主体:丙烯腈-丁二烯-苯乙烯共聚物(ABS); 按键:丙烯腈-丁二烯-苯乙烯共聚(ABS); 面板:甲基丙烯酸甲脂(MMA);电缆:特殊混合丁腈聚氯乙(PVC) | ||
| 重量 | XS-71ZN | 207.9g | ||
| XS-72FN | 201.5g | |||
| XS-CK | 185.5g | |||
| 附件 | 固定夹片/说明书 | 拼接头/固定夹片/说明书 | 拼接头/固定夹片/说明书 | |
网站客服咨询客服
热线电话:
13962107506
