磁致伸缩位移传感器
E2结构
模拟量输出接口

E2结构有模拟量接口,是一款超高性价比,结构紧凑型传感器,传感器绝对位置量输出,不受掉电影响。
E2结构传感器适合安装在机器表面,或者一些狭小的外部空间中。E2结构传感器适用于流体动力、注塑、能源等各种工业自动化应用领域。
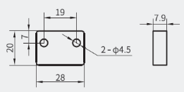
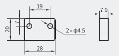
E2结构外形与针脚线色
结构外形

接线与针脚定义
模拟量
| 针脚 | 线色1* | 线色2* | 功能定义 |
1 | 棕 | 红 | 24Vdc ±20%供电 | |
2 | 白 | 黑 | 0Vdc供电回路 | |
3 | 蓝 | 蓝 | 磁环位置信号+ | |
4 | 黑 | 绿 | 磁环位置信号一 | |
面向传感器 | 5 | 灰 | 黄/白 | 不接 |
注:
*线色1∶PUR黑色电缆,-40℃~80℃,末端散线
*线色2∶PUR橙色电缆,-20℃~90℃,末端散线
产品参数一E2结构模拟量接口
输入
测量数据:位置磁环
有效行程:25~2500 mm,其他可根据需要定制
输出
电流 | 4~20mA 或0~20mA(最小/最大负载0/500Ω) |
电压 | 0~1ovdc或0~5Vdc(最小负载电阻≥10KΩ) |
分辨力 | 12位D/A或满量程的0.025%(最小100um) |
非线性度 | <满量程的±0.05% |
重复精度 | <±0.1mm |
更新时间 | 1ms |
工作条件
磁环速度 | 任意 |
电气防护 | IP65 |
工作温度 | -40°C~+75℃ |
温度系数 | 湿度90%,不能结露 |
冲击指标 | GB/T2423.5 50g(11ms) |
振动指标 | GB/T2423.10 10g/10~2000Hz |
EMC测试 | GB/T17626.2静电放电抗干扰度,等级4,A类 |
GB/T17626.3射频电磁场辐射抗干扰度,等级3,A类 | |
GB/T17626.4电快速瞬变脉冲群抗扰度,等级4,A类 | |
GB/T17626.6 射频场感应的传导骚扰度,等级2,A类 | |
GB/T17626.8工频磁场抗扰度,等级3,A类 | |
CE认证 |
结构与材料
测杆 | 铝合金 |
出线连接 | 直出电缆(散线连接)、航空插座(M12连接器) |
安装 | 任意方向,夹片安装 |
位置磁铁 | 滑块磁铁 |
电气连接
输入电压 | +24Vdc±20% |
功耗 | <80mA> |
极性保护 | 最大-30Vdc |
超压保护 | 最大36Vdc |
绝缘电阻 | >10MΩ |
绝缘强度 | 500V |
产品选型一E2结构模拟量接口
选型指南
01-02 | 传感器系列 |
E2 | 整体型材结构系列 |
03-07 | 量程 |
M**** | 0025~2500 mm,其他可根据需要定制 |
0025~0500mm,步长5mm | |
0750~1000mm,步长25mm | |
1000~2500 mm,步长50mm |
08-09 | 磁铁形式 |
C2 | 滑块磁铁(288517) |
C3 | 方块磁铁(211508) |
C4 | 梯形磁铁(211514) |
10-13 连接形式
直出线缆方式1011出线类型
DW PUR黑色电缆,-40℃~80℃,末端散线
DH PUR橙色电缆,-20℃~90℃,末端散线
直出线缆方式1213线缆长度,01~99 单位:米
插座连接方式10 11 12 13
PA50 M12五芯插座,插头电缆需要另外选配
14-17 | 信号输出模式 | |
14 | 15 | 通信接口 |
A | 0 | 电流输出,4~20mA |
A | 1 | 电流输出,20~4mA |
A | 2 | 电流输出,0~20mA |
A | 3 | 电流输出,20~0mA |
V | 0 | 电压输出,0~10V |
V | 1 | 电压输出,10~0V |
V | 4 | 电压输出,0~5V |
V | 5 | 电压输出,5~0V |
16-17 | 保留位 |
10 | 单个磁块 |
18-19 | 首末端盲区 | |
B | 1 | 72.5mm+72.5mm |
D | 2 | 73mm+73mm |
选型实例:
如:E2- M0300-C2- DW02-A010-B1
表示∶E2结构,固定夹片安装,300m m有效行程,滑块磁铁,直出电缆形式,2米标配电缆,电流0~20 m A输出,标准首末端死区72.5m m+72 .5mm。
E2常用可选附件
磁块/夹片
名称:方块磁铁 |
| |
| ||
包含:1个磁铁 | ||
订货号∶211508 | 磁环 | |
名称:方块磁铁套件 |
| 垫片 隔磁垫片尺寸同磁环,厚度5mm螺钉 GB/T70.1,M4x20,材质304 弹簧垫片 G B/T93,φ4,材质304
|
| ||
包含:1个磁块,1个垫片,2个带弹垫螺钉 | ||
订货号∶288508 | 磁环 | |
名称:梯形磁铁 |
| |
| ||
包含:1个磁环 | ||
订货号∶211514 | 磁环 | |
名称:梯形磁铁套件 |
| 垫片 隔磁垫片尺寸同磁环,厚度5mm螺钉 G B/T70.1,M4×20,材质304 弹簧垫片 G B/T93,φ4,材质304
|
| ||
包含:1个磁环,1个垫片,3个带弹垫螺钉 | ||
订货号∶288514 | 磁环 | |
名称:滑块磁铁 |
| 螺杆 M5x25,材质304 螺母 GB/T6170,M5,材质304
|
| ||
包含:1个滑块,1个螺杆,2个螺母 | ||
订货号∶2885 17 | 磁环 | |
名称:固定夹片套件 |
| 螺钉 GB/T70.1,M5X16,材质304
|
| ||
包含:1个夹片,2个螺钉 | ||
订货号∶288561 | 磁环 | |
E2常用可选附件
电缆配件
PUR橙色电缆 | 3P×0.25mm2 | 导电体:6芯,红/黑,蓝/绿,黄/白
|
| ||
订货号:511802 | ||
PUR黑色电缆 | 5×0.25mm2 | 导电体∶5芯,棕/白/蓝/黑/灰 应用特性∶电缆护套黑色,带屏蔽,耐温-40~80℃
|
| ||
订货号∶511809 | ||
四芯/五芯M12直插母头电缆 | 5×0.25mm2 | 导电体:5芯,棕/白/蓝/黑/灰 应用特性:电缆护套PUR黑色,带屏蔽,耐温-40~80℃ 线长∶2米(可选3米/5米/10米)
|
| ||
订货号:521801-2(3/5/10) | ||
四芯/五芯M12弯插母头电缆 | 5×0.25mm2 | 导电体:5芯,棕/白/蓝/黑/灰 应用特性:电缆护套PUR黑色,带屏蔽,耐温-40~80℃ 线长∶2米(可选5米)
|
| ||
订货号∶521804-2(5) |
网站客服咨询客服
热线电话:
13962107506
